久草青青在线国语,伊人青青97久草,综合青青伊人亚洲网站,亚洲影院伊人苑

  English Espa?ol 簡體中文
Email: [email protected]      [email protected]
 
Búsqueda rápida:
Preguntas frecuentes  |  Chat en vivo  |  Ayuda  +86-138-67136703
   
  Productos Categaries
Basculas Camioneras
Basculas de Plataforma
Basculas de Mesa
Basculas Colgante
Basculas para Paletas
Pesaje de Animal
Basculas a Prueba de Agua
Basculas Supermercados
Basculas Contadoras
Basculas Medicas
Basculas Ensacadoras
Basculas para Correos
Basculas de Ba?o
Balanzas de Presicion
Indicadores
Celdas de Carga
Sistemas Inalambrico
Accesorios
 
  Contáctenos
Wanto Precision Co.,LTD
Tel: +86-571- 82815816
Fax: +86-571-82815331
Mobile: +86-13867136703
Skype:topscales
 
   
Celdas de Carga Usted está aquí: Inicio> Productos〉Celdas de Carga
Nombre del producto:  H3(Zemic)
Instroduction producto: 

 

H3 load cells are available in the capacities 25kg to 30t 
and 100lb to 20klb.
Alloy steel,sealed by adhesive inside,oil-proof,waterproof and 
anti-corrosion,suitable for all kinds of environments. 
S beam design,tension and/or compression loading possible,
easy installation,suitable for crane scale, mechanical 
conversion scale, hopper scale and other electronic 
weighing devices.
Safe and anti-explosive product, can be used in 
atrocious environment and hazardous areas.

Important Features

Capacities:25kg-30t,
100lb-20klb.
High accuracy.
Alloy steel construction. 
Low profile and nice 
exterior. 


Specifications

Capacity

t

0.025/0.05/0.1/0.15/0.2/0.25/0.3/0.5/0.6/0.75/1/1.5/2/2.5/3/5/7.5/10/15/20/30

lb

100/200/250/300/500/750/1K/1.5K/2K/2.5K/3K/5K/10K/15K/20K

Accuracy

C2

C3

C4

A5S

A5M

B10S

B10M

Approval

OIML
R60 C3

OIML 
R60 C4

Maximum
number of
verification 
intervals

n max

2000

3000

4000

5000

5000

10000

10000

Minimum 
load cell
verification 
interval

v min

Emax
/5000

Emax
/10000

Emax
/14000

Emax
/15000

Emax
/15000

Emax
/10000

Emax
/10000

Combined
error

%FS

≤±0.030

≤±0.020

≤±0.018

≤±0.018

≤±0.026

≤±0.035

≤±0.050

Creep

%FS
/30min

≤±0.024

≤±0.016

≤±0.012

≤±0.012

≤±0.017

≤±0.030

≤±0.040

Temperature
effect 
on sensitivity

%FS/10

≤±0.017

≤±0.011

≤±0.009

≤±0.009

≤±0.013

≤±0.030

≤±0.040

Temperature
effect 
on zero

%FS/10

≤±0.023

≤±0.015

≤±0.010

≤±0.010

≤±0.014

≤±0.030

≤±0.020

Output
sensitivity

mv/v

2.0±0.004Metric 3.0±0.008(Imperial)

Input 
resistance

Ω

350±3.5

Output 
resistance

Ω

351±2.0

Insulation 
resistance

≥ 5000(50VDC)

Zero balance

%FS

1.5(Metric) 1.0Imperial

Temperature,
compensated

-10+40

Temperature,
operating

-35+65

Excitation,
Recommended

V

512(DC)

Excitation,
Max

V

18(DC)

Safe 
overload

%FS

150

Ultimate overload

%FS

300

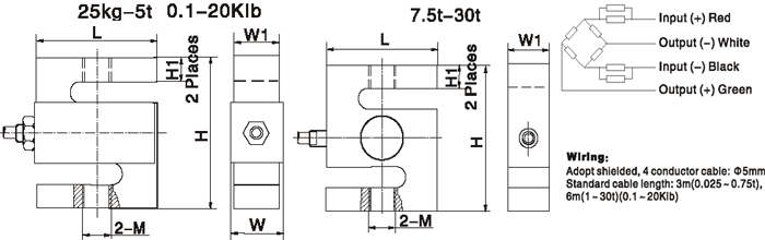
Outline Dimension mm(inch)

 
 
 
Email: [email protected]    [email protected] Skype: topscales Tel: +86-138-67136703 QQ:553645145
 
 
Basculas Camioneras Basculas para Paletas Basculas Contadoras Basculas de Ba?o Sistemas Inalambrico
Basculas de Plataforma Pesaje de Animal Basculas Medicas Balanzas de Presicion Accesorios
Basculas de Mesa Basculas a Prueba de Agua Basculas Ensacadoras Indicadores  
Basculas Colgante Basculas Supermercados Basculas para Correos Celdas de Carga  
Derechos de autor @ 2014 Wanto Precision Technology Co., Ltd. Todos los derechos reservados.