久草青青在线国语,伊人青青97久草,综合青青伊人亚洲网站,亚洲影院伊人苑

  English Espa?ol 簡體中文
Email: [email protected]      [email protected]
 
Búsqueda rápida:
Preguntas frecuentes  |  Chat en vivo  |  Ayuda  +86-138-67136703
   
  Productos Categaries
Basculas Camioneras
Basculas de Plataforma
Basculas de Mesa
Basculas Colgante
Basculas para Paletas
Pesaje de Animal
Basculas a Prueba de Agua
Basculas Supermercados
Basculas Contadoras
Basculas Medicas
Basculas Ensacadoras
Basculas para Correos
Basculas de Ba?o
Balanzas de Presicion
Indicadores
Celdas de Carga
Sistemas Inalambrico
Accesorios
 
  Contáctenos
Wanto Precision Co.,LTD
Tel: +86-571- 82815816
Fax: +86-571-82815331
Mobile: +86-13867136703
Skype:topscales
 
   
Celdas de Carga Usted está aquí: Inicio> Productos〉Celdas de Carga
Nombre del producto:  HM9B(Zemic)
Instroduction producto: 

HM9B load cell are available in the capacities 10t to 50t.
Alloy steel construction, nickel plated , hermetically welded,
oil-proof,waterproof and anti-corrosive gas and medium making
it suitable for all kinds of environments. 
Dual shear beam, Suitable for electronic truck scales,railway 
scales and other electronic weighing devices. 
It is safety and anti-explosion product that can be used in 
atrocious weather and hazardous areas.

Features

Capacity:10t to 50t.
High accuracy.
Alloy steel construction. 
Easy installation, reliable
performance.
With OIML approval.



Specifications

Capacity

t

10/20/25/30/40SE/40/50

Accuracy

C1

C2

C3

A5M

B10M

Approvals

OIML R60 C3

Maximum number of
verification intervals

n max

1000

2000

3000

5000

10000

Minimum load cell 
verification interval

v min

Emax/3000

Emax/5000

Emax/7500

Emax
/15000

Emax
/10000

Combined error

(%FS)

≤±0.050

≤±0.030

≤±0.020

≤±0.026

≤±0.050

Creep

(%FS/30min)

≤±0.038

≤±0.024

≤±0.016

≤±0.017

≤±0.040

Temperature effect 
on sensitivity

(%FS/10)

≤±0.028

≤±0.017

≤±0.011

≤±0.013

≤±0.040

Temperature effect 
on zero

(%FS/10)

≤±0.047

≤±0.023

≤±0.015

≤±0.014

≤±0.020

Output sensitivity

(mv/v)

2.0±0.002

2.3±0.002

2.4±0.002

1.9±0.002

1.8±0.002

Input resistance

(Ω)

700 ±7

775 ±5

750 ±7

Output resistance

(Ω)

700 ±7

Insulation resistance

(MΩ)

≥ 5000(50VDC)

Zero balance

(%FS)

1.5

Temperature, compensated

()

-10+40

Temperature,allowed

()

-35+65

Excitation, Recommended

(V)

512(DC)

Excitation,Max

(V)

18(DC)

Safe overload

(%FS)

150

Ultimate overload

(%FS)

300

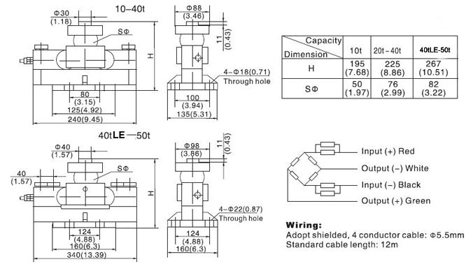
Outline Dimension mm(inch)

 
 
 
Email: [email protected]    [email protected] Skype: topscales Tel: +86-138-67136703 QQ:553645145
 
 
Basculas Camioneras Basculas para Paletas Basculas Contadoras Basculas de Ba?o Sistemas Inalambrico
Basculas de Plataforma Pesaje de Animal Basculas Medicas Balanzas de Presicion Accesorios
Basculas de Mesa Basculas a Prueba de Agua Basculas Ensacadoras Indicadores  
Basculas Colgante Basculas Supermercados Basculas para Correos Celdas de Carga  
Derechos de autor @ 2014 Wanto Precision Technology Co., Ltd. Todos los derechos reservados.